万花楼qm论坛一品楼品凤楼论坛qm,一品qm论坛官网,良家凤楼论坛最新帖子,2025广州qm论坛栖凤阁论坛(全国信息)

800kva箱变多少钱一台?

分享到:
文章来源:北京创联汇通电气 ????? 发布时间: 2025-11-18 15:02:24
导读:箱式变电站是一种紧凑型配电设备,800kva箱变主要包括高压柜,变压器,低压柜,低压补偿装置等,铜排铝变11.3万元,供大家参考,具体价格要以箱变图纸和配置为准.

箱式变压器

箱式变电站,简称箱变,是一种将高压开关设备、配电变压器、低压配电装置,按一定接线方案排成一体的紧凑型配电设备,今天给大家介绍的是800kva箱变的配置和价格,供大家参考,具体价格还是要以设计图纸和所需配置为准。
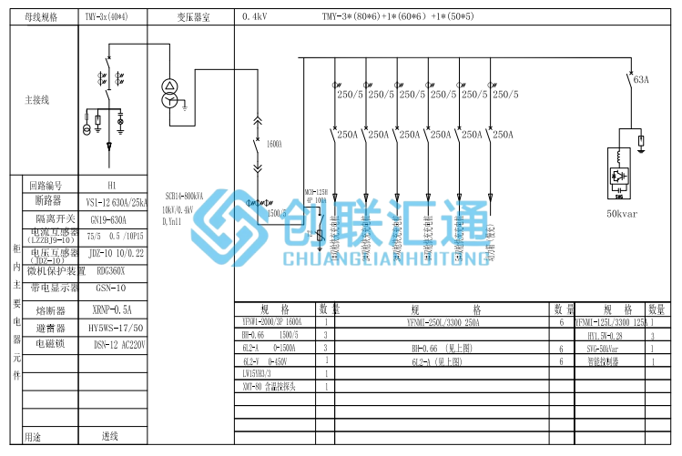
微信图片_20251118132120_3_9_副本.png

这套800kva箱变主要包括高压柜、变压器、低压柜、低压补偿装置等,铜排铝变11.3万元,一进六出带六台充电桩:
高压配电柜用的是环网柜(HXGN型),柜内主要电器元件有断路器、隔离开关、电流互感器、电压互感器、微机?;ぷ爸?、带电显示器、熔断器、避雷器和电磁锁,高压环网柜特点是结构简单、体积小、价格低。
变压器用的是SCB14型干式变压器,连接组别是DYn11。SCB14是国家二级能效标准的三相干式变压器,采用环氧树脂浇注技术,具有低损耗、低噪音特性。
低压柜用的是GGD型,产品具有动热稳定性好,结构新颖、合理、电气方案切合实际,系列性使用性强,防护等级高等特点。
低压补偿装置用的SVG(静止无功发生器),无功补偿通俗的讲就是将低压变压器传输过来的无用功转变为有用功。加上SVG后可以减少线路损耗50%以上,避免???,不额外投资实现扩容,改善电能质量、延长了电器寿命、提高了产品质量。
以上就是800kva箱变的配置和价格,大家可以参考一下,我们公司有不少箱变成功案例,留言就可以获取同款800kva箱变配置价格表,自己带图纸询价也可

Totop

北京创联汇通电气设备有限公司 ???地址:北京市昌平区南邵镇北京风景67号院 ??? 京ICP备11019806号-1

干式变压器 油浸式变压器 箱式变电站 配电柜 特种变压器 地埋式变压器